フィクスチャ設計の疑問
- 設計された器具の製造方法がわからない。
- フィクスチャ図面で提案されている位置精度と寸法精度、これは実現を確実にすることを意味します。
- フィクスチャは一体型で製造されており、従来の製品による設計ルーチンはフィクスチャの精度に際限のない問題をもたらします。
- 精度保証法は、フィクスチャ設計の問題に対する主要な解決策です。
フィクスチャ製造プロセスの特殊性
フィクスチャを使用する主な目的:機械加工部品のサイズ(形状)精度と位置精度を確保すること。
ワークピースの製造精度の要因:機械と工具の要因に加えて、工作機械の固定具は設計精度の要件を満たす必要があります。
従来のフィクスチャ製造プロセス:大多数は依然としてアセンブリ調整方法を使用しています。 このフィクスチャ製造プロセスは、通常の機械製造と同様です。 すべての部品は部品図に従って製造され、組み立てられます。 最終的なフィクスチャの精度は、特定のコンポーネントの位置を調整または研削しようとするかどうかによって異なります。 または達成するサイズ。
従来のフィクスチャ製造のデメリット:実際のアプリケーションの観点から、組立図のさまざまなサイズと形状の公差要件を満たすことは困難です。
したがって、フィクスチャ製造の精度を確保するには、特別なプロセス方法を採用する必要があります。 次の5つのプロセス方法により、工具固定具の精度が保証されます。

1.グループ処理方法
メソッド定義:
これは、フィクスチャ要素を処理するときに、複数の要素で同じ構造要素を同時に処理することを指します。 これらの構造要素は通常、幾何学的サイズまたは断面形状、および相互の相対位置です。 同じ処理条件により、フィクスチャコンポーネントの品質と互換性を簡単に保証できるため、フィクスチャの全体的な製造精度が向上します。
メソッド分類:
さまざまな製造方法に応じて、グループ処理は「ペア処理」と「ミラーリング処理」の2つの特定の処理方法に分けることができます。
ペア処理:
これは、フィクスチャ内のすべてのペアのコンポーネントが、「コンビネーション研削」、「コンビネーションボーリング」、「コンビネーションドリル」、「コンビネーションストランディング」などによってペアで処理され、ワークピース間の寸法誤差と位置のずれを排除することを意味します。
実用的なアプリケーション:
位置決めピンの準備、ガイド穴の穴あけ、輪郭ブロックの研削など。
ミラー処理方法:
対称面で囲まれた対称構造のフィクスチャコンポーネントを指し、最初に2倍の長さを処理し、同等のマージンを持つワークピースを追加してから、対称面に沿って切断し、処理後に 鏡像の原理を使用する2つの対称部分を組み合わせて、対称エラーを排除します。
場合
V字型ポジショニングブロックの機能設計では、自動センタリング機能を備えており、2つの作業斜面の対称性の精度が非常に高くなっています。 V字型ブロックの従来の製造方法は、一般的に一体型製造です。 2つの傾斜面の最終仕上げは、多くの場合、精密正弦波固定具とV字型ガイド磁石を使用して平面研削盤で行われます。 しかし、この処理方法は、V字型の対称性が理想的な状態に到達することを保証するために非常に正確です。

実用的なアプリケーション:
鏡像処理法を使用する場合は、まず、図に示すように、V字型のブロックを半製品のモノマーにします。 (a)対称面に沿って切断し、ネジ穴を加工してから、図のような向きを使用します。 (b). キーと接続ボルトを組み合わせたタイプVブロックに組み立てます。
プロセス特性:
高精度の工作機械は必要ありませんが、通常の工作機械の助けを借りてのみ、Vブロックの対称性は非常に高い精度を達成することができます。
主な用途:
対称構造または複数の繰り返しの固定要素の製造に使用されます。
2.臨床処理方法
メソッド定義:
フィクスチャの工作機械の切削機能を利用して、他の部品を切削し、位置誤差をなくし、各部品が理想的な位置に収まるようにすることで、センターの製造精度を向上させます。
プロセス特性:
Use the machine tool of the fixture to perform final processing to ensure fixture accuracy.
主な用途:
これは、フィクスチャの位置決め要素の機械加工プロセスで使用され、工作機械アセンブリ内の機械の最終的な精度を確保するために使用されます。
典型的なアプリケーション:
研削盤研削外部円筒軸式固定具と研削内面固定具、旋盤のマンドレル式固定具、フライス盤の作業台、表面研削盤の電磁チャック。
技術的利点:
フィクスチャの製造、組み立て、設置のエラーを排除し、最終的に非常に高い精度を実現します。
利用条件:
臨床加工方法、臨床加工条件の工作機械のみ使用可能です。
パターンデザイン:
設計者がフィクスチャを設計するためにこのプロセス方法の使用を要求する場合、フィクスチャの一般図に「工作機械での最終処理までのパターンのサイズに応じて仕上げ代を確保する」ことに注意する必要があります。

3.位置合わせと固定方法

最初に位置合わせしてから固定する方法は、通常、一般的な測定ツールを使用します。
アプリケーション例:
V字型の位置決めブロックを位置合わせして固定し、ν字型の固定ブロックへの方向キー位置決め溝とボルトの取り付けを処理しました。
メソッドプロセス:
ダイヤルゲージを使用して、マンドレルの上部バスバーと測定バスバーを位置合わせし、マンドレルを方向キー面(Tスロット側)およびフィクスチャ取り付け基準面と平行にします。 位置合わせプロセスでは、調整と研削を繰り返す必要があります。 位置合わせが完了したら、ネジを締め、ヒンジ固定ピンの穴を開け、固定ピンを打ち込みます。
プロセス特性:
位置合わせの精度は、作業者のスキルレベル、測定ツールの精度、および測定ベンチマークの精度によって異なります。
4.移行ベンチマーク方法
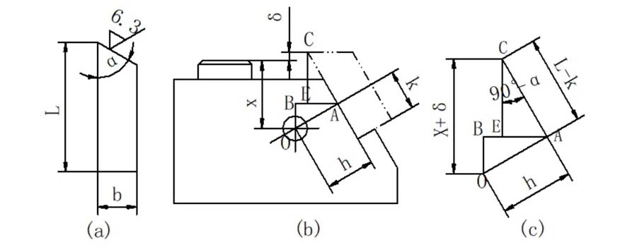
フィクスチャの設計では、より高い要件を持つ斜めの穴や傾斜面がよく見られます。 処理装置の制限により、処理を容易にするために、傾斜穴と傾斜面を垂直または水平の位置に配置する必要があります。
測定技術の難しさのため、処理中にそのサイズを直接測定して制御することは不可能です。 したがって、制御が必要なこれらのサイズを直接測定または制御できるプロセスサイズに変換するために、プロセス参照穴を遷移参照として設定する必要があります。
変換されたプロセスサイズの制御を通じて、ワークピースの設計サイズの要件が間接的に保証されます。 このプロセス法は遷移参照法と呼ばれ、フィクスチャ製造の実践で広く使用されています。

上図に示すように、寸法hとKを確保することを前提として、工具ブロックの作業面が加工基準穴Oの軸Xに確保されている限り、長辺寸法Lの加工要件 保証することができます。
さらに、ボーリングマシンでいくつかの大きなボーリングダイを処理する場合、プロセス参照穴を遷移参照として使用することは、よく使用される効果的なプロセス方法です。
この方法では、ボーリングダイ全体を組み立てた後、ボーリングダイの両端から同軸度の高いガイド穴を順番に加工することができます。 水平ボーリングヘッドがテンプレートの一方の端にあるガイド穴を処理した後、垂直ボーリングヘッドを使用して、テンプレートの両端にある2つのプロセス基準穴を加工します。 プロセス基準穴の中心は、処理されたガイド穴の中心線と垂直に交差する必要があります。
ボーリングダイを回転させ、プロセスシリンダーピンをプロセス基準穴に組み付け、ダイヤルゲージを垂直ボーリングヘッドに固定します。 ビームを前後に動かして、両端のプロセスシリンダーピンの中心位置を修正します。 キャリブレーションと固定の後、エンドテンプレートのガイド穴を処理できます。 フィクスチャは全体として組み立てられた後に処理されるため、この方法は高い同軸性を確保できます。
5.組立加工方法

設計要件:
ドリルスリーブの内穴φd1の中心軸の取付基準面Aに対する垂直性とV字型位置決めブロックの中心面の位置精度
製作プロセス:
コーディネイトボーリングマシンで、V字型位置決めブロックの中心面を合わせ、組み立て後に蝶ナットを締め、ブッシュの底穴を穴あけテンプレートに穴あけします。
プロセス特性:
座標ボーリングマシンの精度に依存して、フィクスチャに必要な位置精度が直接保証されます。 これは、ドリルスリーブの中心軸とフィクスチャの取り付け基準面の垂直性を確保するための最も効果的な方法です。 使用する穴あけ・ボーリング固定具のガイドスリーブの底穴をこの加工方法で加工します。

設計要件:
2つのV字型ブロックの位置は、高さ寸法Hと水平寸法Lによって決定され、2つの方向キーの側面は参照Bで表されます。フィクスチャの設計では、2つのVブロックの位置決め面が必要です。 2つの平行度の要件を確保しながら、ワークピースと完全に接触している必要があります。
プロセス:
H、L、2つの平行度を確保するために、フィクスチャを作成するときは、最初に2つのV字型ブロックを斜角にし、十分な半製品を研削余裕を持って残して、V字型ブロックを組み立てます。 クランプコンクリートに。 テーパーピンは、V字型ブロックとクランプ本体の両方を固定します。
ツールグラインダーまたはレールグラインダーでは、AとBを位置決め基準として使用して、V字型ブロックの90°傾斜面を研削して、H、L、および2つの平行度公差の要件を満たします。
ノート
- フィクスチャの設計および製造に組立加工方法を適用する場合、組立加工方法の製造プロセスの特性に精通し、構造設計、寸法および形状公差マーキング、フィクスチャコンポーネント処理などのさまざまな側面でこの要件を満たす必要があります。 および技術的条件の定式化。
- 従来のフィクスチャーデザインと比較して、組立加工方式で製造されたフィクスチャーは、パターンデザインに大きな違いがあります。 4つの設計パターンが必要です。フィクスチャアセンブリ図面、フィクスチャガイド構造(ドリルスリーブ、ボーリングスリーブなど)アセンブリ処理図面などの製品図面、フィクスチャガイド要素(つまり、半製品)の組み立て前図面、 クランプ機構とクランプの詳細。
- これらの4つのパターンを同時に使用する目的は、フィクスチャ製造部門が、フィクスチャ製造プロセス全体をガイドおよび制限する可能性のある、フィクスチャ製造中の部品の製造、コンポーネントの組み立て、および精度の調整のプロセスラインを引き続き使用しないようにすることです。


