機械部品の図面では、垂直方向の公差により、設計者は直角の部品フィーチャーの方向が変化する可能性のある範囲を指定できます。 垂直記号は通常、図面で使用され、嵌合フィーチャーを確実に組み立てることができます。
GD&Tの垂直性は、と呼ばれる参照機能に応じて、2つの異なる意味を意味する場合があります。 通常の形状または表面の垂直性は、2つの90°の表面またはフィーチャ間の垂直性を制御するために使用される公差です。 表面の垂直性は、許容ゾーンとして2つの平行な平面によって制御されます。 軸の垂直性は、基準面に対する特定の軸の垂直性を制御するために使用される公差です。 軸の垂直性は、理論的に完全に平行な軸を囲む円柱によって制御されます。
垂直性の説明:
表面の垂直性:
表面の垂直性は、2つの表面間の垂直性を制御するために使用される2次元のGD&Tマークです。 垂直性は2D線を指す場合がありますが、より一般的には、ある表面平面が別の参照平面に垂直になる方向を表します。 垂直公差は、サーフェスを配置する必要がある場所を制御することにより、パーツ間の90°の角度を間接的に制御します。
表面の垂直性は、互いに90度に位置合わせされた2つの表面間の垂直性を制御するために使用される公差です。 これは、許容ゾーンとして2つの平行な平面によって制御されます。

上記の表面垂直ラベルは、表面垂直ラベルを寸法の一部として使用する方法と、フィーチャに直接関連付けることができる2つの方法を示しています。 どちらの場合も、データ「A」を関連付ける必要があります。
軸の垂直性:
軸制御は垂直性とも呼ばれ、軸ラベリングの最も一般的な形式の1つです。 円形のフィーチャー参照の場合、フィーチャー制御フレームには直径(Ø)記号が含まれます。 フィーチャーは、ピンのように正の場合もあれば、穴のように負の場合もあります。
シャフトの垂直性は、参照フィーチャの軸が存在する必要がある円柱の境界を指定する3D公差です。 参照面に対する特定の軸の垂直性を制御するために使用されます。参照面は、理論的に完全に平行な軸の周りの円筒公差域によって制御されます。

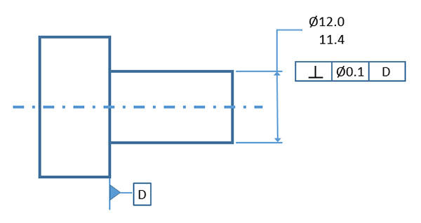
軸の垂直寸法については、垂直度だけでなく、公差域での理想的な円柱の直径も指定します。 したがって、円柱の軸は参照「D」に垂直です。
垂直性許容ゾーン
表面垂直公差ゾーン
表面の垂直性の公差域は、2つの平行な平面で構成されます。 検査される表面は、承認される2つの平面の間にある必要があります。 機能コントロールボックスは、2つの平面間の距離を制御します。距離が小さいほど、領域は狭くなります。
形状からわかるように、この領域は2つのサーフェス間の角度を直接制御しません。 代わりに、参照面に垂直な領域を作成し、垂直面の平坦性を維持します。

軸垂直公差ゾーン
シャフトの公差域の垂直性シャフトの垂直性の場合、公差域は円筒形であり、フィーチャーコントロールボックスにはそれを示す直径記号が含まれています。 この領域は、参照要素に完全に垂直な理論軸の周りに作成されます。 フィーチャの実際の軸上のすべてのポイントは、承認されるエリア内にある必要があります。 これにより、負(穴)または正(ピン)の機能として設計でき、追加の公差を考慮することができます。

垂直性の測定
それらを他のGD&Tアノテーションと比較すると、表面と軸の両方の垂直性を比較的簡単に測定できます。
表面垂直度測定
表面の垂直度を測定するには高度計が必要です。 測定プロセス中、基準面はプレートと接触したままになります。
測定ツール(または部品)の自由度は、垂直方向の相対的な動きのみを許可することによって制限されます。 高度計ダイヤルの偏差は、フィーチャの垂直性を示します。
軸の垂直性の測定
軸の垂直性は通常、カスタムメイドのメーターで測定されます。 これらのメーターは、特徴的な仮想条件を念頭に置いて構築されています。
軸の垂直性は通常、MMCで呼び出され、すべての状況で適切にフィットするようにします。 追加の公差は、公差チェックに合格する寸法の範囲を定義する際にも役割を果たします。
垂直性の使用法
その単純さと実用性のために、垂直性はGD&Tで非常に一般的な表記法です。 表面と軸の垂直性は、必要な垂直性を確保するために設計図でよく使用されます。
その表面形態では、垂直性は平面と曲面を制御できます。 たとえば、円柱の底部に対する円柱の表面の垂直性を確保できます。 また、中心面の公差にも使用できます。
軸形式では、垂直はさまざまな前面および背面機能の中心軸を制御できます。 これは主に、穴とピンの垂直性を確保して、アセンブリに完全にフィットするようにするために使用されます。


